
シャーレンチ とは
シャーレンチとは、モーターの力だけでシャーボルトを締付け、規定のトルクでシャーボルトを折るレンチです。
シャーボルト(鉄骨の締結ボルト)を締付けて、締め付け規定トルクまで達するとボルト軸部分の先端が折れて締付け作業が完了します。打撃を使わずモーターの力のみで締め付けるので、必要になる部品が高額になりお値段が他のレンチと比べて高額になります。
シャーレンチ 寸法

マキタ 6920NB シャーレンチ の寸法画像です
マキタ 6922NB シャーレンチ の寸法画像です

マキタ 6924N シャーレンチ の寸法画像です
マキタ 6920ANW 回転角レンチ の寸法画像です
マキタ 6924ANW 回転角レンチ の寸法画像です

マキタ 6922K 一次締めレンチ の寸法画像です

マキタ 6924KH 一次締めレンチ の寸法画像です

マキタ 6922KR 橋梁用一次締めレンチ の寸法画像です

日立 WS20G シャーレンチ の寸法画像です

日立 WS22G シャーレンチ の寸法画像です

トネ 新型M20 シャーレンチ GM201AT の寸法画像です

トネ 新型M22シャーレンチ GM221AT の寸法画像です

トネ シャーレンチ GH241AT の寸法画像です

トネ シャーレンチ V302T の寸法画像です

トネ 新型 M22 コーナー型シャーレンチ 100V GMC221T の寸法画像です
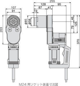
トネ 新型M24 コーナ型シャーレンチ GHC242T の寸法画像です

トネ シャーレンチ US221T の寸法画像です

トネ M22 極短型シャーレンチ 100V USS221T の寸法画像です

トネ M24 極短型シヤーレンチ GUS241 の寸法画像です

トネ シャーレンチ M201HRT の寸法画像です

トネ シャーレンチ M221HRT の寸法画像です

トネ M16 専用シャーレンチ M3100CT の寸法画像です

トネ M22用 コードレス入力シャーレンチ MDD220T の寸法画像です
シャーレンチ 充電式
マキタから充電式のシャーレンチが発売されました。
今までは「シャーレンチを扱う際にはコード」が常識でした。
しかしその常識を覆す「充電式」が登場しました。
マキタ 18V×2-6.0Ah充電式シャーレンチ WT310DPG2
シャーレンチ tone
|
定価 312,500円(税別)
|
トネ 新型M20 シャーレンチ GM202AT
|
定価 390,500円(税別)
|
|
トネ シャーレンチ GH241AT 100V トネ シャーレンチ GH242AT 200V 定価 518,000円(税別)
|

|
定価 900,000円(税別)
|
トネ シャーレンチ V301T
トネ 新型 M22 コーナー型シャーレンチ GMC221T
トネ 新型 M22 コーナー型シャーレンチ GMC222T
トネ 新型M24 コーナ型シャーレンチ GHC241T
トネ 新型M24 コーナ型シャーレンチ GHC242T

|
トネ シャーレンチ US221T 100V トネ シャーレンチ US222T 200V
|
トネ M22 極短型シャーレンチ USS221T
トネ M22 極短型シャーレンチ USS222T
トネ M24 極短型シヤーレンチ GUS241
トネ M24 極短型シヤーレンチ GUS242

|
トネ シャーレンチ M201HRT 100V トネ シャーレンチ M202HRT 200V 定価 346,000円(税別)
|
|
定価 490,000円(税別)
|

|
トネ M16 専用シャーレンチ M3100CT トネ M22用 コードレス入力シャーレンチ MDD220T |
シャーレンチ マキタ

|
定価 250,000円(税別)
|
|
定価 336,000円(税別)
|
|
定価 457,000円(税別)
|
|
定価 439,000円(税別)
|
|
定価 480,000円(税別) |
シャーレンチ 日立

|
定価 336,000円(税別) |
|
定価 250,000円(税別) |
シャーレンチ レンタル
数か月シャーレンチを使用されるのであれば、ご購入されるのをオススメします。
レンタルは1日2000円程度なので、使用頻度が高い方は購入した方が効率的です。
シャーレンチ 使い方
スイッチを押せば、締付けてくれます。離せば、締付けが止まります。締付けするボルトのサイズを確認して、それに合ったソケットを取り付けて作業を行ってください。
シャーレンチ 価格
シャーレンチの価格は大体20万円程度が多いです。必要な部品が耐久性のある高価なものなので、金額は高い傾向があります。
モデルによっては60万円など高額なモデルもあります。お客様の用途に合ったシャーレンチをお選びください。
シャーレンチ 仕組み
インパクトレンチの様に回転方向の打撃で締める事無くモーターの力だけでシャーボルトを締付け規定のトルクでシャーボルトのボルト軸の先端を折って締付をします。トルクを出すために、超低速回転で締付けトルクを出しています。スピンドルやボディなど強度のある部品を使用するため高額な金額になります。インパクトでトルクを出すことは可能ですが、締付けトルクが揃わないので専用のシャーレンチがいいです。
シャーレンチ 逆回転
ニチワというメーカーは逆回転専用タイプがあります。
シャーレンチ一次締め

|
定価 198,000円(税別) |
|
定価 225,000円(税別) |
|
定価 313,000円(税別) |

|
トネ 1次締め専用レンチ建方1番(トルシアボルト用) GKS251 トネ 1次締め専用レンチ 建方1番(トルシアボルト用) GKS252 トネ 1次締め専用レンチ 建方1番(トルシアボルト用) GKS501 トネ 1次締め専用レンチ 建方1番(トルシアボルト用) GKS502 |

|
トネ TONE 1次締め専用レンチコーナー型建方1番 GKSC251 トネ TONE 1次締め専用レンチコーナー型建方1番 GKSC252 トネ TONE 1次締め専用レンチコーナー型建方1番 GCS501T トネ TONE 1次締め専用レンチコーナー型建方1番 GCS502T |

|
トネ 1次締専用レンチ 建方1番(六角ボルト用) GKR251 トネ 1次締専用レンチ 建方1番(六角ボルト用) GKR251 トネ 1次締専用レンチ 建方1番(六角ボルト用) GKR501 トネ 1次締専用レンチ 建方1番(六角ボルト用) GKR502 トネ トルク調整付 1次締専用レンチ 建方1番(六角ボルト用) GKRC251 トネ トルク調整付 1次締専用レンチ 建方1番(六角ボルト用) GKRC252 |
アウタスリーブ・インナスリーブの交換 (マキタ6924)
その他参考資料日立シャーレンチ – 日立工機

| アウタスリーブ・インナスリーブの交換の時は、絶対にスイッチを切って、電源プラグを電源コンセントから抜いてください。電源プラグを電源コンセントにつないだまま行うと事故の原因になり危ないです。アウタスリーブ・インナスリーブの交換の際は、内部に異物が入らないように十分に注意してください。 |
別販売品のM20・M22用を使用されるときは、下記の手順で交換してください。

| 取りはずし方・アウタスリーブを手で押え、ネジ回しで止めネジ2個をゆるめます。アウタスリーブ、インナスリーブがスプリングの力で押し出されていきます。 |

| 次にアウタスリーブからインナスリーブを取り外します。インナスリーブは、ピンを押すと取れます。インナスリーブを落とさないように十分に注意してください。 |
アウタスリーブ・インナスリーブの交換 (マキタ6924)

| インナースリーブスプリング、チップロッド、チップロッドスプリングは、そのまま本体に付けて下さい。 |
アウタスリーブ・インナスリーブの交換 (マキタ6924)

|
取り付け方 インナスリーブのピンを上にしてアウタースリーブを被せて下さい。ピンを押してアウタースリーブにインナースリーブを取付けてください。インナースリーブがセットされます。インナースリーブを取り付けたアウタスリーブを機械に取り付けてください。インナースリーブを左右に回しながら確実に取付てください。止めネジ2個をしっかり締め付けて、取り付け完了です。 |

| 電源コンセントに電源プラグを差し込む前に、スイッチが切れていることを必ず確認してください。スイッチを入れたまま電源プラグを差し込むと急に動き出し、事故の原因になり非常に危険です。電源コンセントに電源プラグを差し込む前に、スイッチの引金を引き、離したとき引金が戻ることを必ず確認してください。スイッチは引金を引くと入り、離すと切れます。他のレンチとこのあたりは同じです。 |

ボルトの締め付け方法 (マキタ6924)

| インナースリーブをボルトのテール部にはめ込みます。ボルトのテール部をたたくと変形して、インナースリーブに入らなくなることがありますのでたたかないでください。まずレンチ等を用いてシャーボルトを一次締めし、その後シャーレンチで締め付けを行います。最初からシャーレンチで締め付けるのではなく、一次締め後にシャーレンチを用いてください。1次締め専用のレンチを使用してください。 |

| 軽く押しながらアウタースリーブをナットに完全にはめてください。うまくはまらない場合は、本機を左右どちらかに振りながらはめてください。スイッチの引金を引いて始動してください。アウタスリーブが回転して、ナットを締め付け始めます。 |

| 規定のトルクに達すると、ボルトのテール部がノッチ部でせん断されます。テール部はインナスリーブにチップとして残ります。 |

|
スイッチを切り、本機を引いてアウタースリーブをナットからはずしてください。使用時、本機を過度に押さえつけないでください。シャーレンチはアウタースリーブとインナスリーブの回転により締め付けを行いますので、本機を安定させる程度の力で大丈夫です。チップレバーを引いてチップを排出してください。この場合、チップが落下しないように手で受けるなど確実に回収してください。 |

| ボルト締め付け時の注意座金およびナットには裏表がありますので、ボルトを接合部に組み込むときには、逆使いしないように十分にご注意ください。 |

| ボルト締め付け後の注意ナットとボルト・座金などが共回り・軸回りを生じた場合やナット回転量に異常が認められた場合、またはナット面から突き出た余長が過大、過少の場合にはナット・ボルト・座金をセットで交換してください。また、一度使用したナット・ボルト・座金は再度使用しないでください。締め付け部材の厚さに基づきシャーボルトをお選びください。ボルトのサイズ毎にチップ切断後の余長の長さの範囲は決まっています。 |
ネジサイズ 最大余長 最小余長
|
M20 27mm 5.5mm M22 26mm 7mm M24 23mm 10mm |

| サイズの異なるボルトで最大、最小の余長が異なりますので使用時には余長が上表の規定のものをご使用ください。ご使用のシャーボルトが規定範囲内を越えますと、本機故障の原因となりますので注意してください。 |
保守・点検について
| 点検・整備の際には必ずスイッチを切り、電源プラグを電源コンセントから抜いてください。電源プラグを電源コンセントにつないだまま行うと、感電や事故の原因になり非常に危険です。 |
カーボンブラシの交換


| カーボンブラシは定期的に取りはずして点検することをおすすめします。カーボンブラシが限界摩耗線まで摩耗したら新品と取り替えてください。このとき、カーボンブラシがブラシホルダ内で前後にスムーズに動くか必ず確認してください。新品と交換する際は、必ず指定のカーボンブラシをつかわれることをオススメします。ネジ回しでブラシホルダキャップを取りはずしてください。中から摩耗したカーボンブラシを取り出し、新品と取り替えて、ブラシホルダキャップを組み付けてください。カーボンブラシは2個で1組になっております。取り替えるときは、必ず両側とも同時に交換してください。 |
| シャーレンチのお手入れ・乾いた布か石けん水をつけた布できれいに拭いてください。ガソリン、ベンジン、シンナー、アルコール等は変色、変形、ひび割れの原因となりますので使わないでください。 |

この記事を書いた人 ウエダカナモノ





























