銀行振込、代引、コンビニ決済、WEBクレジットカード決済、U分割支払いでお支払いいただけます。詳しくは支払いページをご確認ください。
当サイトの商品は全て新品です!
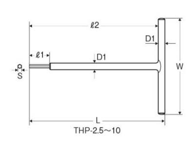
| 品 番 | S(mm) | D1φ(mm) |
W(mm) | L1(mm) | L2(mm) | L(mm) | 重量 |
| THP-2.5 | 2.5 | 8 | 90 | 20 | 175 |
183 | 109g |
| THP-3 | 3 | 9 | 100 | 25 | 190 | 199 | 132g |
| THP-4 | 4 | 10 | 120 | 30 | 205 | 215 | 163g |
| THP-5 | 5 | 11 | 140 | 40 | 220 | 231 | 243g |
| THP-6 | 6 | 12 | 160 | 45 | 240 | 252 | 319g |
| THP-8 | 8 | 13 | 180 | 45 | 260 | 273 | 420g |
| THP-10 | 10 | 16 | 200 | 50 | 280 | 296 | 680g |

マキタ 18Vインパクトドライバ TD173DZ(青)(本体のみ/バッテリ・充電器・ケース別売)
18,414 円
(税込20,255円)

●MAX ねじ打機 ターボドライバ(クールグレー) HV-R41G6(D)-G
64,480 円
(税込70,928円)

HiKOKI(ハイコーキ)コードレスマルチツール 36V-2.5Ah CV36DMA(XPZ) (バッテリー・充電器付き)
45,756 円
(税込50,332円)
送料や支払い方法などは、こちらをご確認ください。
下記ページで確認できないことがありましたら、お問い合わせください。